4x Multipole-Connector YPC SF4000 Valves 24VDC
Notice: This product will be discontinued in the future
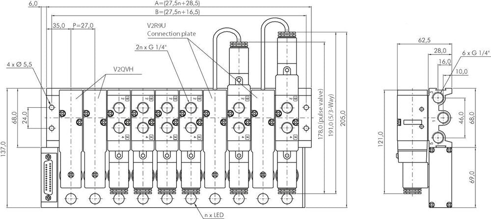
This multipole connector allows the electrical control of several stations with a single cable. Each station has a status LED and protection circuit. You can use the connector with 5/2- and 5/3-way valves from the SF4000 series provided they have a DIN-plug. Valves with two coils, such as 5/3 valves and pulse valves, use two stations of the connector and require a special connection plug to connect the opposed coil to the connector.
Notice: This product will be discontinued in the future
Description
This multipole connector allows the electrical control of several stations with a single cable. Each station has a status LED and protection circuit. You can use the connector with 5/2- and 5/3-way valves from the SF4000 series provided they have a DIN-plug. Valves with two coils, such as 5/3 valves and pulse valves, use two stations of the connector and require a special connection plug to connect the opposed coil to the connector.
You need to order the following items in order to assemble a complete valve terminal: 1. A Multipole connector that corresponds to the number of valve coils 2. An appropriate manifold for the number of valves. 3. Valves (5/2-way or 5/3 way) from the matching series. 4. One connection plate per pulse valve or 5/3-way valve.
Pros:
- Quick and simple connection
- Universal use thanks to the modular system
- LED status indicator and protection circuit
- Up to 22 valves can be controlled using a multi-pin connection cable
- Easy valve replacement



